约翰迪尔6081发动机大修后的装配顺序零配件价格目录发动机磨合指南

大修后的约翰迪尔6081发动机装配顺序
1.将拆下的所有螺塞安装到缸体中到服务块。安装约翰迪尔6081发动机序列号铭牌。
2.安装活塞冷却孔。
3.安装不带O形圈的缸套并测量班轮脱颖而出。将缸套O形圈安装到缸体中,然后拧紧
4.安装主轴承和曲轴。旋转确保曲轴装配正确。检查

5.安装约翰迪尔6081发动机飞轮和壳体(如适用):
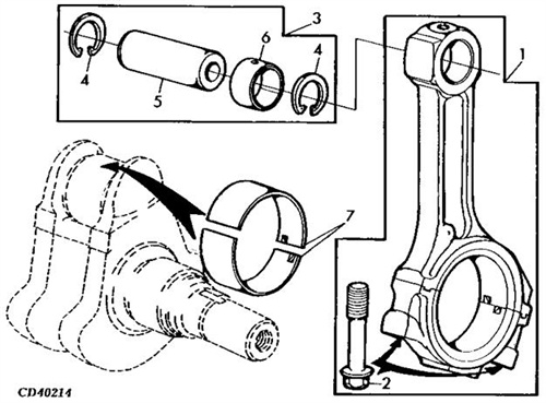
6.安装活塞和杆组件。螺栓衬套向下
7.安装曲轴后油封壳并检查
8.将凸轮从动件安装在原来的孔中已拆下。

9.安装凸轮轴。对齐正时标记(凸轮轴至曲轴齿轮),1号活塞位于
10.安装约翰迪尔6081发动机机油泵总成。
11.安装高压共轨。
12.安装喷油泵和驱动齿轮。序列号(200000-)
13.安装约翰迪尔6081发动机机油冷却器总成。
14.安装燃油滤清器底座、供油管和滤清器。
15.安装机油滤清器底座、阀壳和新机油滤清器。
16.将气缸盖、推杆、摇臂填料安装到缸套上。安装衬套。组件、电子喷油器和燃油泵

17.安装托架、摇臂盖和呼吸器软管
18.安装进气歧管。
19.安装前后排气歧管。
注意:在旋转前,务必将衬套螺栓拧紧拆下缸盖的约翰迪尔6081发动机。
20.安装正时齿轮盖。安装前曲轴耐磨套筒和油封。
如果要安装新的活塞/缸套套件,请将套件组装到
使用新的卡扣连接相应的连杆
21.安装冷却液泵总成和冷却液环。安装每个套件时,螺栓衬套向下。歧管。
22.安装涡轮增压器。安装涡轮增压器进油口管路和回油管。
•SAE 3:飞轮在外壳之前启动。
•SAE 1和SAE 2:安装前先安装外壳
23.安装燃油泄漏管路和高压燃油飞轮。送货线。

24.安装每个活塞总成后,安装前皮带轮和新减振器作为一个整体。总成。
25.安装风扇皮带轮总成。安装起动机电机。跳动。安装后油封和耐磨套筒。
26.向约翰迪尔6081发动机加注清洁的机油。安装油尺。28.执行约翰迪尔6081发动机磨合和正常标准性能检查。请参阅本组后面的约翰迪尔6081发动机磨合指南。
约翰迪尔6081发动机磨合指南
约翰迪尔6081发动机磨合应在大修后或进行以下修理时进行:
主轴承、连杆轴承、曲轴或这些零件的任何组合已被更换。活塞、环或衬套已更换。
后曲轴油封和耐磨套筒已更换。(主要目的是查看油封是否仍然泄漏)。
气缸盖已拆下。(检查并重置阀门间隙。)
喷油泵在约翰迪尔6081发动机上时已拆下或进行了关键调整。(主要目的是检查电源)。