CAT卡特发动机电子点火系统控制模块功能详细介绍

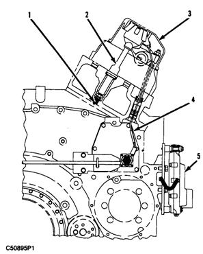
点火系统部件示意图
(1)火花塞(2)点火变压器(3)阀盖(4)线束(5)电子点火系统控制模块
卡特CAT发动机定时的控制通过电子点火系统控制模块来实现。它基于卡特CAT发动机定时预期值、用户特定参数(由操作者编程)和卡特CAT发动机运转的情况来确定。卡特CAT发动机操作者可以使用电子诊断工具来更改最大提早定时、速度定时表和负载定时表。电子点火系统控制模块将根据卡特CAT发动机运转的条件,依照卡特CAT发动机转速/定时传感器、集管气压传感器和爆燃传感器的信息来自动调节卡特CAT发动机转速。

电子点火系统控制模块最多可以向点火变压器提供16条点火输出,还可以使用其传感器和内部回路来监控系统部件。如果在系统部件或线束内发现故障,控制模块能够对故障作出判断并通过诊断码通报操作者。
贵港卡特C18发动机配件销售中心网站
忻州Perkins帕金斯403A-15G2发动机进排气门、垫圈哪家好
白山Perkins帕金斯4006-23TAG4发动机曲轴箱配件哪里有
鞍山Perkins帕金斯1103C-33TG3发动机喷油嘴多少钱费用报价单
呼伦贝尔Perkins帕金斯1106D-E70TAG5发动机曲轴箱配件哪家好
河北Cat发动机原厂配件去哪找
四川Perkins帕金斯854E-E34T发动机机油冷却器供应服务商